Магазин запчастей для бытовой техники - Arlos
Москва
close
Выберите ваш регион
АбаканАлександровАльметьевскАнгарскАрзамасАрмавирАртемАрхангельскАстраханьАчинскБалаковоБалашихаБеларусьБелгородБердскБерезникиБийскБлаговещенскБратскБрянскВеликий НовгородВидноеВладивостокВладикавказВладимирВолгоградВолгодонскВолжскийВологдаВолховВоркутаВоронежВоскресенскВыборгГатчинаГеленджикГрозныйДедовскДербентДзержинскДзержинскийДимитровградДмитровДолгопрудныйДомодедовоДонецкЕвпаторияЕгорьевскЕкатеринбургЕлецЕссентукиЖелезногорскЖелезнодорожныйЖуковскийЗеленоградЗлатоустИвановоИвантеевкаИжевскИркутскИстраЙошкар-ОлаКазаньКалининградКалугаКаменск-УральскийКамышинКаспийскКемеровоКерчьКировКисловодскКлинКовровКоломнаКомсомольск-на-АмуреКопейскКоролёвКостромаКотельникиКрасногорскКраснодарКраснознаменскКрасноярскКурганКурскКызылЛенинск-КузнецкийЛипецкЛобняЛыткариноЛюберцыМагнитогорскМайкопМалаховкаМахачкалаМиассМоскваМурманскМуромМытищиНабережные ЧелныНазраньНальчикНаро-ФоминскНахабиноНаходкаНевинномысскНефтекамскНефтеюганскНижневартовскНижнекамскНижний НовгородНижний ТагилНовокузнецкНовокуйбышевскНовомосковскНовороссийскНовосибирскНовоуральскНовочебоксарскНовочеркасскНовошахтинскНовый УренгойНогинскНорильскНоябрьскОбнинскОдинцовоОктябрьскийОмскОрелОренбургОрехово-ЗуевоОрскПавловский ПосадПензаПервоуральскПермьПетрозаводскПетропавловск-КамчатскийПодольскПрокопьевскПсковПушкиноПятигорскРаменскоеРеутовРостов-на-ДонуРубцовскРыбинскРязаньСакиСалаватСамараСанкт-ПетербургСаранскСаратовСевастопольСеверодвинскСеверскСергиев ПосадСерпуховСимферопольСмоленскСосновый БорСочиСтавропольСтарый ОсколСтерлитамакСтупиноСургутСызраньСыктывкарТаганрогТамбовТверьТихвинТольяттиТомилиноТомскТроицкТулаТюменьУлан-УдэУльяновскУссурийскУсть-ИлимскУфаУхтаФеодосияФрязиноХабаровскХанты-МансийскХасавюртХимкиЧебоксарыЧелябинскЧереповецЧеркесскЧеховЧитаШахтыЩелковоЭлектростальЭлистаЭнгельсЮжно-СахалинскЯкутскЯлтаЯрославль
  • - бесплатно по РФ
    Автоперезвон. Работает по принципу: Вы позвонили на номер, мы сбрасываем звонок и перезваниваем через 3 секунды.
  • - по Москве
  • 8 (925) 663-83-63

Call-центр

пн-вс: 10:00-19:00

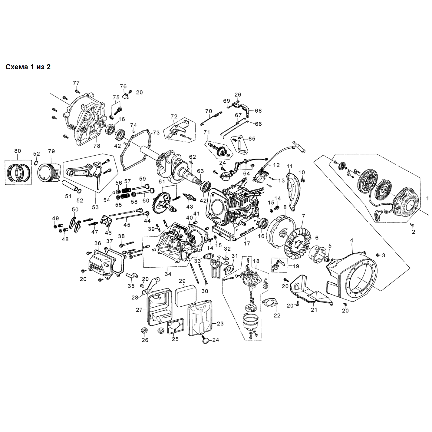
Генератор бензиновый СБ-3300

Данная модель имеет несколько схем

NАртикулНазваниеСрок отгрузкиЦенаКупить
1 N000-033-064 Стартер ручной в сборе 1.472 р.
6 N000-033-067 Стакан храповик 156 р.
7 N000-032-949 Крыльчатка
8 N000-032-972 Маховик
10 N000-032-895 Зажим
11 N000-032-900 Кожух защитный
12 N000-032-919 Магнето 682 р.
14 N000-032-854 Болт слива масла 36 р.
15 N000-033-009 Прокладка болта слива масла 12 р.
16 N000-033-060 Сальник D41.25xd25x6 64 р.
17 N000-032-917 Блок цилиндра D70
18 N000-032-907 Карбюратор P27-2 1.796 р.
21 N000-033-104 Элемент механизма управления дроссельной заслонкой
22 N000-032-857 Прокладка 21 р.
23 N000-032-952-1 Крышка воздушного фильтра 244 р.
23-29 N000-032-952 Корпус воздушного фильтра в сборе с фильтрующим элементом 493 р.
27 N000-032-941 Корпус воздушного фильтра
28 N000-032-946 Кронштейн воздушного фильтра
29 N000-033-126 Элемент фильтрующий 218 р.
30 N000-033-115 Шпилька 6x90
31 N000-032-856 Прокладка 21 р.
32 N000-033-077 Блок теплоизоляционный
33 N000-032-851 Прокладка теплоизолятора 21 р.
34 N000-032-964 Головка цилиндра
35 N000-033-091 Трубка
36 N000-032-966 Крышка головки цилиндра
37 N000-033-014 Прокладка бумажная 61 р.
39 N000-033-117 Шпилька 8х34 92 р.
40 N000-033-013 Прокладка бумажная 178 р.
41 N000-033-121 Штифт 10x16
42 N000-032-986 Подшипник 6025
43 N000-033-063 Свеча зажигания F7TC 276 р.
44 N000-033-079 Толкатель
45 N000-033-120 Штанга толкателя
46 N000-032-979 Пластина ограничительная
51 N000-032-996 Палец поршневой D18х54 87 р.
52 N000-033-099 Кольцо стопорное поршневого пальца 12 р.
53 N000-033-111 Шатун в сборе 464 р.
54 N000-032-958 Колпачек регулировочный
55 N000-033-029 Седло впускного клапана
56 N000-033-031 Седло впускного клапана
57 N000-033-022 Пружина клапана
58 N000-032-968 Колпачек толкателя
59 N000-032-870 Клапан впускной
60 N000-032-876 Клапан выпускной
61 N000-033-043 Вал распределительный
62 N000-033-119 Шпонка сегментная L18xS4xH5.5 30 р.
63 N000-032-929 Вал коленчатый 168F 2.854 р.
64 N000-032-886 Датчик уровня масла поплавковый 273 р.
65 N000-033-044 Регулятор скорости
66 N000-032-984 Планка натяжения акселератора
67 N000-033-028 Пружина растяжения
68 N000-032-948 Кронштейн регулятора скорости
69 N000-032-853 Болт с квадратной головкой
70 N000-033-025 Пружина растяжения
71 N000-033-048 Регулятор оборотов центробежный 129 р.
72 N000-033-105 Элемент механизма управления дроссельной заслонкой
73 N000-033-012 Прокладка бумажная 180 р.
74 N000-033-124 Штифт 8x12
75 N000-032-970 Щуп масляный с прокладкой 41 р.
76 N000-032-945 Кронштейн
78 N000-032-957 Крышка картера
79 N000-032-995 Поршень D70 168F
80 N000-032-935 Кольца поршневые комплект D70 168F 412 р.
91 N000-032-890 Крышка двигателя задняя
94 V000-004-476 Блок электронной регулировки напряжения (AVR) 2-2.8 кВт 890 р.
95 N000-033-092 Щетка графитовая 6х33.5х5 229 р.
96 N000-032-922 Клеммная колодка
100 N000-032-891 Опора двигателя задняя 1.159 р.
101 N000-033-073 Альтернатор в сборе 38.395 р.
103 N000-033-088 Бак топливный
104 N000-032-960 Крышка топливного бака
105 N000-033-101 Фильтр топливного бака
107 N000-032-887 Датчик уровня топлива
110 N000-032-871 Втулка
111 N000-033-049 Втулка резиновая
112 N000-033-090 Кран топливный с фильтром резьба М16х1.5/ёлочка D6 286 р.
113 N000-033-086 Шланг топливный L200 D8/d4
114 N000-033-033 Зажим пружинный
115 N000-032-879 Глушитель
118 N000-032-976 Кронштейн монтажный
120 N000-032-859 Прокладка 27 р.
121 N000-032-848 Амортизатор
122 N000-032-849 Амортизатор
124 N000-033-034 Рама
125 N000-032-989 Поперечина рамы
126 N000-032-978 Ножка резиновая
127 N000-032-982 Блок резиновый опорный
133 N000-032-881 Розетка 220В/16А 383 р.
134 N000-032-999 Автомат (15А)
135 N000-032-937 Контакт заземления
136 N000-032-865 Вольтметр 91L4 0-300В 45х45мм 455 р.
137 N000-032-872 Выключатель зажигания 172 р.
Найдено товаров: 93
1
▲ Наверх
0
8 (925) 663-83-63

Call-центр

пн-вс: 10:00-19:00

НАЙТИ ПО МОДЕЛИ
Введите номер заказа
Введите номер своего заказа, что бы узнать его текущий статус.
Что бы получить доступ к расширенным функциям, пройдите не сложную регистрацию. Зарегистрироваться