Магазин запчастей для бытовой техники - Arlos
Москва
close
Выберите ваш регион
АбаканАлександровАльметьевскАнгарскАрзамасАрмавирАртемАрхангельскАстраханьАчинскБалаковоБалашихаБеларусьБелгородБердскБерезникиБийскБлаговещенскБратскБрянскВеликий НовгородВидноеВладивостокВладикавказВладимирВолгоградВолгодонскВолжскийВологдаВолховВоркутаВоронежВоскресенскВыборгГатчинаГеленджикГрозныйДедовскДербентДзержинскДзержинскийДимитровградДмитровДолгопрудныйДомодедовоДонецкЕвпаторияЕгорьевскЕкатеринбургЕлецЕссентукиЖелезногорскЖелезнодорожныйЖуковскийЗеленоградЗлатоустИвановоИвантеевкаИжевскИркутскИстраЙошкар-ОлаКазаньКалининградКалугаКаменск-УральскийКамышинКаспийскКемеровоКерчьКировКисловодскКлинКовровКоломнаКомсомольск-на-АмуреКопейскКоролёвКостромаКотельникиКрасногорскКраснодарКраснознаменскКрасноярскКурганКурскКызылЛенинск-КузнецкийЛипецкЛобняЛыткариноЛюберцыМагнитогорскМайкопМалаховкаМахачкалаМиассМоскваМурманскМуромМытищиНабережные ЧелныНазраньНальчикНаро-ФоминскНахабиноНаходкаНевинномысскНефтекамскНефтеюганскНижневартовскНижнекамскНижний НовгородНижний ТагилНовокузнецкНовокуйбышевскНовомосковскНовороссийскНовосибирскНовоуральскНовочебоксарскНовочеркасскНовошахтинскНовый УренгойНогинскНорильскНоябрьскОбнинскОдинцовоОктябрьскийОмскОрелОренбургОрехово-ЗуевоОрскПавловский ПосадПензаПервоуральскПермьПетрозаводскПетропавловск-КамчатскийПодольскПрокопьевскПсковПушкиноПятигорскРаменскоеРеутовРостов-на-ДонуРубцовскРыбинскРязаньСакиСалаватСамараСанкт-ПетербургСаранскСаратовСевастопольСеверодвинскСеверскСергиев ПосадСерпуховСимферопольСмоленскСосновый БорСочиСтавропольСтарый ОсколСтерлитамакСтупиноСургутСызраньСыктывкарТаганрогТамбовТверьТихвинТольяттиТомилиноТомскТроицкТулаТюменьУлан-УдэУльяновскУссурийскУсть-ИлимскУфаУхтаФеодосияФрязиноХабаровскХанты-МансийскХасавюртХимкиЧебоксарыЧелябинскЧереповецЧеркесскЧеховЧитаШахтыЩелковоЭлектростальЭлистаЭнгельсЮжно-СахалинскЯкутскЯлтаЯрославль
  • - бесплатно по РФ
    Автоперезвон. Работает по принципу: Вы позвонили на номер, мы сбрасываем звонок и перезваниваем через 3 секунды.
  • - по Москве
  • 8 (925) 663-83-63

Call-центр

пн-вс: 10:00-19:00

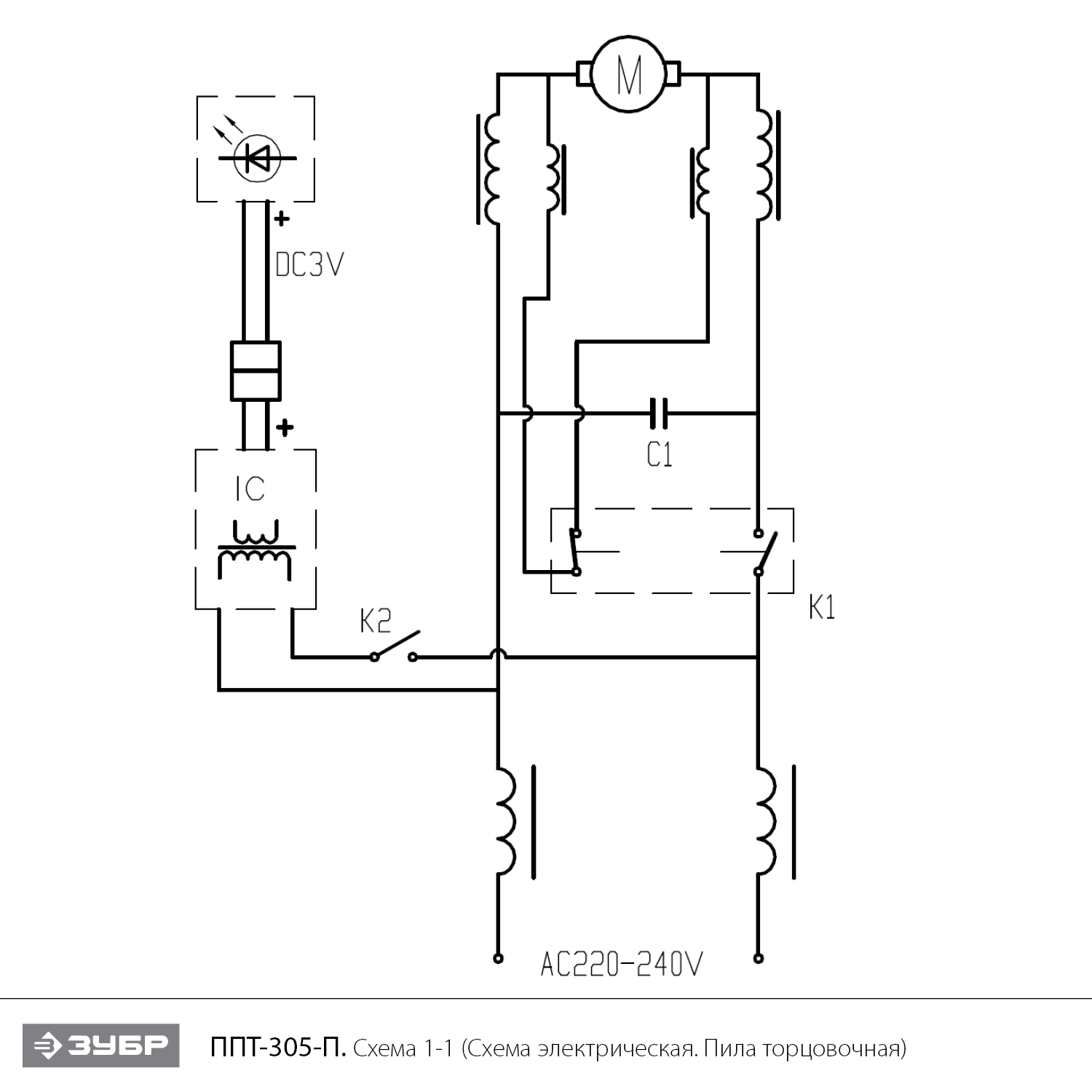
Пила торцовочная компактная с протяжкой ППТ-305-П

Данная модель имеет несколько схем

NАртикулНазваниеСрок отгрузкиЦенаКупить
1 V000-001-711 Двигатель в сборе КД
1.01 N000-027-276 Винт
1.02 N000-020-411 Саморез ST4.2х16
1.03 N000-029-267 Ручка верхняя часть
1.04 N000-029-268 Пружина переключателя
1.05 V000-000-272 Микровыключатель MSB-2213B 13А 250В (двойная коммутация) 180 р.
1.06 N000-036-361 Выключатель курковый 4.476 р.
1.08 N000-029-271 Пластина прижимная
1.09 N000-032-473 Пылезащита выключателя подсветки
1.09 U009-607-RS0 Подшипник шариковый 607 RS (19х7х6) U009-607-RS0 для болгарок УШМ-П125-850, AGS-125-1000 286 р.
1.10 V000-003-435 Выключатель Jiaben KND1-6/1 6(6)A 250V 5E4 89 р.
1.11 V000-007-055 Блок питания LED подсветки AC240V/DC4.1V 575 р.
1.12 V000-007-555 Конденсатор MEX GPF 0.22uF Kx2 ~275V 286 р.
1.13 N000-029-273 Ручка нижняя часть
1.14 N000-026-119 Воротник шнура
1.15 V000-006-357 Шнур сетевой ZUBR, H05VV-F, PVC, 2x1.0mm2, 2m 577 р.
1.16 N000-022-364 Винт M6x20
1.17 N000-025-179 Шайба D6
1.18 N000-029-276 Ручка для переноски
1.20 N000-029-274 Кронштейн 2.905 р.
1.20 U009-608-RS0 Подшипник шариковый 608-2RS (22х8х7) U009-608-RS0 для пил ЗПС-850 Э, ЗПТ-210-1300-Л 306 р.
1.22 N000-029-275 Корпус двигателя с неподвижным кожухом 4.470 р.
1.22 N000-017-078 Корпус двигателя с неподвижным кожухом 4.470 р.
1.23 N000-029-283 Крышка щеткодержателя D20х8.5 17 р.
1.24 N000-029-284 Щетка графитовая (пара) N000-029-284 для ЗПТ-305-1800 ПЛ, ППТ-305-П 424 р.
1.25 N000-029-285 Щеткодержатель 245 р.
1.27 N000-029-286 Корпус двигателя 542 р.
1.31 N000-029-287 Крышка корпуса двигателя
1.32 N000-032-597 Статор КДА 1.708 р.
1.34 N000-029-281 Втулка подшипника 608 резиновая 36 р.
1.36 N000-032-598 Ротор КДС 3.307 р.
1.37 N000-029-297 Кольцо стопорное разжимное D15 7 р.
1.38/8.06 U009-620-2RS Подшипник шариковый 6202-2RS (35x15x11) n/n 189 р.
1.39 N000-029-279 Вставка вентиляционная 2.683 р.
1.40 N000-029-292 Винт M6х50 ограничитель глубины пропила
1.41 N000-029-291 Гайка с накаткой М6
1.42 N000-029-293 Штифт стопорный
1.43 N000-029-295 Кольцо стопорное
1.44 N000-029-294 Пружина
1.45 N000-020-649 Винт M4x8
1.47 N000-027-549 Гайка М6
1.48 N000-026-444 Винт M6x30
1.49 N000-032-599 Кронштейн пылеуловителя 264 р.
1.50 N000-032-600 Пылеуловитель
1.51 N000-032-601 Лампа светодиодная 128 р.
1.52 N000-032-602 Отражатель 383 р.
1.53 N000-032-603 Крышка лампы 189 р.
1.54 N000-032-604 Крышка подсветки левая
1.55 N000-032-605 Крышка подсветки првая
1.57 N000-032-484 Кольцо индукционное
1.58 V000-004-455 Блок плавного пуска AOL DS12A 230V 672 р.
2 N000-032-606 Консоль наклонная в сборе 9.694 р.
2.01 N000-032-607 Кронштейн опорный 9.694 р.
2.03 N000-018-202 Шайба-гровер D8
2.04 N000-013-933 Винт M8x30
2.05 N000-032-608 Направляющая
2.07 N000-032-609 Защита линейного подшипника
2.08 N000-032-610 Шайба войлочная D32хd24.5х2
2.09 N000-032-611 Подшипник линейный (40х25х35) LM25UU TDB 839 р.
2.10 N000-032-612 Защита подшипника
2.11 N000-032-613 Кронштейн 2.420 р.
2.13 N000-032-493 Пружина 264 р.
2.14 N000-032-494 Винт барашек M6х30 353 р.
2.17 N000-024-388 Шайба D7
2.18 N000-032-614 Ограничитель глубины реза
2.21 N000-032-615 Винт M6х6 установочный
2.22 N000-032-616 Заглушка направляющей
2.23 N000-032-617 Кольцо
3 N000-032-618 Основание в сборе 2.905 р.
3.02 N000-032-619 Вставка стола
3.03 N000-032-508 Пружина
3.05 N000-032-620 Рычаг блокировки поворотного стола 200 р.
3.06 N000-022-932 Винт M6x45
3.07 N000-032-621 Клавиша блокировки 71 р.
3.08 N000-032-511 Втулка
3.09 N000-024-374 Винт M5x35
3.10 N000-032-622 Штифт D6x80
3.12 N000-029-348 Указатель угла поворота
3.13 N000-029-347 Головка фиксатора
3.15 N000-018-462 Шайба D8
3.18 N000-029-345 Указатель угла наглона
3.19 N000-029-342 Фиксатор наклона
3.20 N000-029-343 Пружина фиксатора
3.21 N000-029-344 Вал опорного кронштейна
3.22 N000-029-359 Планка упорная левая 107 р.
3.23 N000-032-623 Упор фронтальный правый 383 р.
3.25 N000-018-181 Шайба-гровер D6
3.28 N000-029-321 Винт-барашек M6х25
3.30 N000-029-361 Упор фронтальный 876 р.
3.31 N000-029-346 Стол 9.694 р.
3.34 UM04-002-007 Шайба-гровер D8 #F 92 р.
3.35 N000-029-373 Рычаг
3.36 N000-029-358 Ограничитель
3.38 N000-032-624 Пластина прижимная
3.39 N000-029-356 Пружина
3.40 N000-029-355 Стойка стола опорная передняя
3.41 N000-032-625 Удлинитель стола правый 383 р.
3.42 N000-018-712 Винт M4x8
3.43 N000-029-354 Пружина
3.44 N000-029-372 Фиксатор правый
3.46 N000-027-164 Гайка
3.48 N000-032-626 Шкала поворота
3.49 N000-032-627 Онование
3.50 N000-032-628 Удлинитель стола левый
3.51 N000-029-369 Винт-барашек M6х10
4 N000-032-647 Струбцина в сборе 852 р.
4.01 N000-013-826 Саморез ST4.2x13
4.02 N000-032-629 Фиксатор правая часть
4.03 N000-032-522 Крышка
4.04 N000-032-523 Пружина
4.05 N000-032-524 Крышка
4.06 N000-032-525 Кронштейн струбцины
4.07 UM01-003-012 Винт M6х10 H3 установочный
4.08 N000-032-526 Фиксатор левая часть
4.09 N000-032-527 Соединитель
4.10 N000-032-528 Пружина
4.12 N000-032-530 Пластина прижимная
5 N000-032-630 Кожух защитный в сборе 674 р.
5.02 N000-029-307 Опора кожуха
5.03 N000-029-308 Пружина торсионная D49xh14 31 р.
5.04 N000-029-309 Кожух подвижный защитный в сборе 6.540 р.
5.05 N000-025-166 Шайба D5
5.06 N000-029-306 Шайба кожуха упорная
5.07 N000-029-311 Опора центральная
5.08 N000-032-631 Заклёпка D4х16
6 N000-032-632 Рукоятка фиксатора поворота в сборе 3.681 р.
6.01 N000-032-633 Стержень рукоятки
6.02 N000-026-191 Ручка поворотного стола 480 р.
6.04 N000-026-192 Крышка ручки 189 р.
7 N000-032-634 Рукоятка наклона в сборе
7.02 N000-032-635 Рукоятка
7.03 UM03-000-032 Болт M10х108
8 N000-032-636 Шпиндель с шестерней D54 Z34 в сборе 1.539 р.
8.01 N000-027-261 Кольцо стопорное D15 разжимное
8.02 N000-029-298 Шестерня D54 Z34 N000-029-298 для пил ЗПТ-305-1800 ПЛ, ППТ-305-П 903 р.
8.03 N000-029-300 Шпонка 4х4х12 92 р.
8.04 N000-029-299 Шпиндель 303 р.
8.05 N000-027-513 Винт M5x10
8.07 N000-029-301 Крышка редуктора 114 р.
11 N000-018-774 Винт M6x22
12 N000-013-837 Винт M5x70
13 N000-032-637 Мешок пылесборник 188 р.
14 N000-032-638 Переходник
16 N000-018-546 Винт M5x16
17 N000-029-302 Фланец внутренний D54хd30хd15.5 156 р.
18 N000-032-639 Диск пильный D305хd30х3 40Т
19 N000-029-304 Фланец внешний D54хd30хd15.5 156 р.
20 N000-024-379 Винт M8х20 (Левая резьба) Hex с шайбой 383 р.
23 N000-032-640 Тяга 286 р.
25 N000-007-128 Винт M6х16
27 N000-018-471 Винт M6x14
28 N000-032-641 Штифт стопорный 353 р.
29 N000-001-873 Кольцо стопорное D10 разжимное 84 р.
30 N000-013-905 Гайка M12
31 N000-013-903 Шайба D22xd12.2x1.5
32 N000-013-904 Шайба D22xd12.7x0.3
33 N000-032-544 Втулка
35 N000-018-775 Винт M8x25
36 N000-032-642 Вал
37 N000-032-643 Втулка
38 N000-032-644 Пружина кручения D42xd27xh38 538 р.
40 N000-032-645 Шкала наклона
Найдено товаров: 162
1
▲ Наверх
0
8 (925) 663-83-63

Call-центр

пн-вс: 10:00-19:00

НАЙТИ ПО МОДЕЛИ
Введите номер заказа
Введите номер своего заказа, что бы узнать его текущий статус.
Что бы получить доступ к расширенным функциям, пройдите не сложную регистрацию. Зарегистрироваться