Магазин запчастей для бытовой техники - Arlos
Москва
close
Выберите ваш регион
АбаканАлександровАльметьевскАнгарскАрзамасАрмавирАртемАрхангельскАстраханьАчинскБалаковоБалашихаБеларусьБелгородБердскБерезникиБийскБлаговещенскБратскБрянскВеликий НовгородВидноеВладивостокВладикавказВладимирВолгоградВолгодонскВолжскийВологдаВолховВоркутаВоронежВоскресенскВыборгГатчинаГеленджикГрозныйДедовскДербентДзержинскДзержинскийДимитровградДмитровДолгопрудныйДомодедовоДонецкЕвпаторияЕгорьевскЕкатеринбургЕлецЕссентукиЖелезногорскЖелезнодорожныйЖуковскийЗеленоградЗлатоустИвановоИвантеевкаИжевскИркутскИстраЙошкар-ОлаКазаньКалининградКалугаКаменск-УральскийКамышинКаспийскКемеровоКерчьКировКисловодскКлинКовровКоломнаКомсомольск-на-АмуреКопейскКоролёвКостромаКотельникиКрасногорскКраснодарКраснознаменскКрасноярскКурганКурскКызылЛенинск-КузнецкийЛипецкЛобняЛыткариноЛюберцыМагнитогорскМайкопМалаховкаМахачкалаМиассМоскваМурманскМуромМытищиНабережные ЧелныНазраньНальчикНаро-ФоминскНахабиноНаходкаНевинномысскНефтекамскНефтеюганскНижневартовскНижнекамскНижний НовгородНижний ТагилНовокузнецкНовокуйбышевскНовомосковскНовороссийскНовосибирскНовоуральскНовочебоксарскНовочеркасскНовошахтинскНовый УренгойНогинскНорильскНоябрьскОбнинскОдинцовоОктябрьскийОмскОрелОренбургОрехово-ЗуевоОрскПавловский ПосадПензаПервоуральскПермьПетрозаводскПетропавловск-КамчатскийПодольскПрокопьевскПсковПушкиноПятигорскРаменскоеРеутовРостов-на-ДонуРубцовскРыбинскРязаньСакиСалаватСамараСанкт-ПетербургСаранскСаратовСевастопольСеверодвинскСеверскСергиев ПосадСерпуховСимферопольСмоленскСосновый БорСочиСтавропольСтарый ОсколСтерлитамакСтупиноСургутСызраньСыктывкарТаганрогТамбовТверьТихвинТольяттиТомилиноТомскТроицкТулаТюменьУлан-УдэУльяновскУссурийскУсть-ИлимскУфаУхтаФеодосияФрязиноХабаровскХанты-МансийскХасавюртХимкиЧебоксарыЧелябинскЧереповецЧеркесскЧеховЧитаШахтыЩелковоЭлектростальЭлистаЭнгельсЮжно-СахалинскЯкутскЯлтаЯрославль
  • - бесплатно по РФ
    Автоперезвон. Работает по принципу: Вы позвонили на номер, мы сбрасываем звонок и перезваниваем через 3 секунды.
  • - по Москве
  • 8 (925) 663-83-63

Call-центр

пн-вс: 10:00-19:00

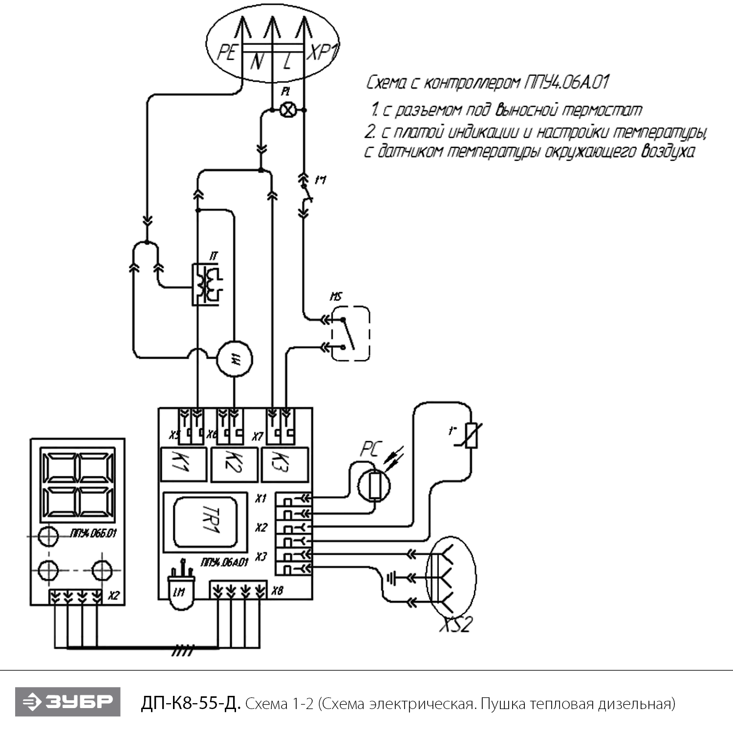
Пушка дизельная прямого нагрева, дисплей,К8 ДП-К8-55-Д

Данная модель имеет несколько схем

NАртикулНазваниеСрок отгрузкиЦенаКупить
1 N000-019-595 Корпус 5.031 р.
2 N000-019-596-2 Крышка верхняя V2 1.314 р.
3 N000-026-911 Камера сгорания D218хL480 СБ ДК-45П.02.000 5.390 р.
5 N000-019-597 Бак топливный ДК-21Н-Т.05.000
6 N000-019-697 Заглушка на сливное отверстие
7 N000-019-575 Крышка топливного бака 86 р.
9 N000-019-600 Шасси
10 N000-019-601 Колесо опорное
11 N000-019-602 Стопор-шайба D10
12 N000-019-603 Крышка ступицы колеса 170мм
13 N000-019-604 Ручка
14 N000-019-605 Подставка
15 N000-019-606 Втулка на бак резиновая
16 N000-019-607 Трубка топливная L190 D10/d5 ДК-45П.00.003 194 р.
17 N000-019-608 Воздуховод ДК-45П.00.006 L670 787 р.
18 N000-019-541 Винт регулировочный 74 р.
19 N000-019-542 Пружина D5.7xh16 212 р.
20 N000-019-543 Шарик стальной D6 84 р.
21 N000-036-633 Заглушка
22 N000-019-546 Фильтр входной (поролон) ДК 14ПК.2.08.004 341 р.
23 N000-019-545 Держатель фильтра 383 р.
24 N000-019-547 Фильтр выходной (фетр) ДК 14ПК.1.08.003.01 771 р.
25 N000-019-548 Крышка компрессора задняя 903 р.
27 N000-019-549 Муфта компрессора 100123 (05.24.020) 271 р.
28 N000-019-610 Ротор компрессора графитовый 23 мм 6.141 р.
29 N000-019-611 Лопасть компрессора графитовая 23 мм 342 р.
30 N000-019-612 Кольцо статорное 23мм V1 4.666 р.
30 N000-019-612-2 Кольцо статорное 23мм 68х5 V2 587 р.
32А N000-019-555 Ступица вентилятора стальная 340 р.
33 N000-036-631 Двигатель АД AR-4 500К 2800 7.754 р.
34 N000-019-613 Крыльчатка вентилятора
36 N000-019-559 Термостат 200°С нормально замкнутый (код 33041/A) 345 р.
36 N000-019-557 Электрод двойной 100225 N000-019-557 для К6 ДП-К6-17, К10 ДПН-К10-25-Д 528 р.
37 N000-019-614 Ниппель 1/8
41 N000-019-561 Держатель сопла 1.539 р.
42 N000-036-628 Камера сгорания внешняя
43 N000-019-556 Кабель высоковольтный 365мм 1.508 р.
45 N000-019-616 Головка горелки D100
46 N000-019-617 Форсунка в сборе 1.33 450004 6.895 р.
46.1 N000-010-151 Кольцо уплотнительное топливной форсунки D10хd6х5 811 р.
48 N000-019-572 Фотодатчик 300006/А 612 р.
49 N000-019-573 Защита фотодатчика 282 р.
51 N000-019-569 Коробка электрическая
52 N000-019-570 Крышка электрокоробки 450 р.
53 V000-003-294 Выключатель однополюсный 220В, 50ГЦ, 1кВт 345 р.
56 N000-019-594 Шнур сетевой ПВС-ВП 3х0.75мм2 1.5м 285 р.
57 N000-019-619 Ввод кабельный
58 N000-019-568 Лампа контрольная 220V
60 N000-036-639 Контроллер тепловой дизельной пушки ППУ-4.06.А.01 6.623 р.
60 N000-036-639-2 Контроллер тепловой дизельной пушки ППУ-4.06.А.02 4.459 р.
62 N000-036-658 Трансформатор зажигания 2х15кВт 30мА ПВ100% 6.437 р.
63 N000-019-621 Решетка входная 676 р.
66 N000-026-917 Указатель топлива в сборе 70-007-0200
67 N000-026-595 Фильтр топливный 100211/D 530 р.
117 N000-027-768 Уплотнитель фетрового фильтра 62 р.
120 N000-040-033 Уголок опора 63 р.
121 N000-040-034 Уголок прижим 63 р.
123 N000-036-640 Контроллер тепловой дизельной пушки ППУ-4.06.В.01 4.145 р.
123 N000-036-640-2 Контроллер тепловой дизельной пушки ППУ-4.06.В.02 2.798 р.
Найдено товаров: 59
1
▲ Наверх
0
8 (925) 663-83-63

Call-центр

пн-вс: 10:00-19:00

НАЙТИ ПО МОДЕЛИ
Введите номер заказа
Введите номер своего заказа, что бы узнать его текущий статус.
Что бы получить доступ к расширенным функциям, пройдите не сложную регистрацию. Зарегистрироваться