Магазин запчастей для бытовой техники - Arlos
Москва
close
Выберите ваш регион
АбаканАлександровАльметьевскАнгарскАрзамасАрмавирАртемАрхангельскАстраханьАчинскБалаковоБалашихаБеларусьБелгородБердскБерезникиБийскБлаговещенскБратскБрянскВеликий НовгородВидноеВладивостокВладикавказВладимирВолгоградВолгодонскВолжскийВологдаВолховВоркутаВоронежВоскресенскВыборгГатчинаГеленджикГрозныйДедовскДербентДзержинскДзержинскийДимитровградДмитровДолгопрудныйДомодедовоДонецкЕвпаторияЕгорьевскЕкатеринбургЕлецЕссентукиЖелезногорскЖелезнодорожныйЖуковскийЗеленоградЗлатоустИвановоИвантеевкаИжевскИркутскИстраЙошкар-ОлаКазаньКалининградКалугаКаменск-УральскийКамышинКаспийскКемеровоКерчьКировКисловодскКлинКовровКоломнаКомсомольск-на-АмуреКопейскКоролёвКостромаКотельникиКрасногорскКраснодарКраснознаменскКрасноярскКурганКурскКызылЛенинск-КузнецкийЛипецкЛобняЛыткариноЛюберцыМагнитогорскМайкопМалаховкаМахачкалаМиассМоскваМурманскМуромМытищиНабережные ЧелныНазраньНальчикНаро-ФоминскНахабиноНаходкаНевинномысскНефтекамскНефтеюганскНижневартовскНижнекамскНижний НовгородНижний ТагилНовокузнецкНовокуйбышевскНовомосковскНовороссийскНовосибирскНовоуральскНовочебоксарскНовочеркасскНовошахтинскНовый УренгойНогинскНорильскНоябрьскОбнинскОдинцовоОктябрьскийОмскОрелОренбургОрехово-ЗуевоОрскПавловский ПосадПензаПервоуральскПермьПетрозаводскПетропавловск-КамчатскийПодольскПрокопьевскПсковПушкиноПятигорскРаменскоеРеутовРостов-на-ДонуРубцовскРыбинскРязаньСакиСалаватСамараСанкт-ПетербургСаранскСаратовСевастопольСеверодвинскСеверскСергиев ПосадСерпуховСимферопольСмоленскСосновый БорСочиСтавропольСтарый ОсколСтерлитамакСтупиноСургутСызраньСыктывкарТаганрогТамбовТверьТихвинТольяттиТомилиноТомскТроицкТулаТюменьУлан-УдэУльяновскУссурийскУсть-ИлимскУфаУхтаФеодосияФрязиноХабаровскХанты-МансийскХасавюртХимкиЧебоксарыЧелябинскЧереповецЧеркесскЧеховЧитаШахтыЩелковоЭлектростальЭлистаЭнгельсЮжно-СахалинскЯкутскЯлтаЯрославль
  • - бесплатно по РФ
    Автоперезвон. Работает по принципу: Вы позвонили на номер, мы сбрасываем звонок и перезваниваем через 3 секунды.
  • - по Москве
  • 8 (925) 663-83-63

Call-центр

пн-вс: 10:00-19:00

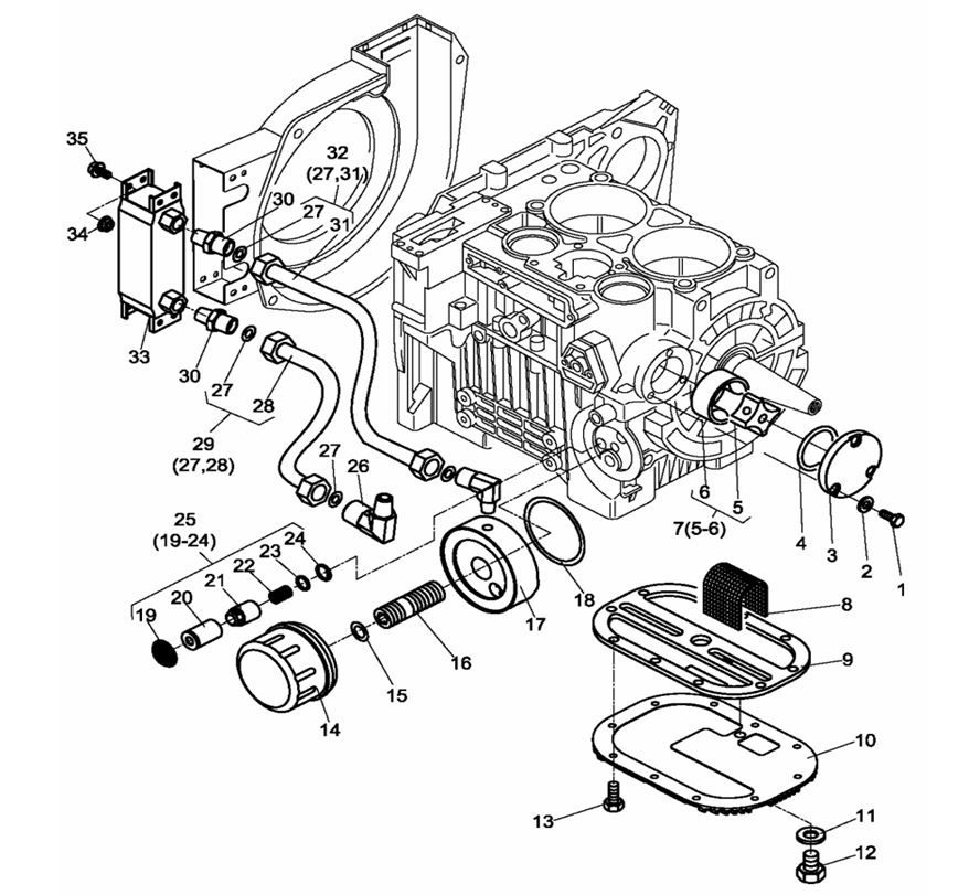
ЗАПЧАСТИ ДЛЯ ДВИГАТЕЛЯ ДИЗЕЛЬНОГО HL292FG1 (СИСТЕМА СМАЗКИ)

NАртикулНазваниеСрок отгрузкиЦенаКупить
1 0102.002130 Болт M6х20 мм
2 0102.001220 Шайба плоская D.5 мм
3 0102.105820 Крышка насоса масляного
4 0102.105830 Кольцо уплотнительное D.41х2 мм
5 0102.105840 Ротор внутренний
6 0102.105850 Ротор внешний
7 0102.105860 Насос масляный в сборе , HL292F-08010 , ДЭС12000ЕМ 635 р.
8 0102.105870 Фильтр сетчатый грубой очистки
9 0102.105880 Прокладка поддона , HL292F-08003 , ДЭС12000ЕМ 129 р.
10 0102.105890 Поддон
11 0102.105900 Шайба уплотнительная
12 0102.105910 Пробка сливная M12х1,25х14 мм
13 0102.001420 Болт M6х22 мм
14 0102.105920 Фильтр маслянный в сборе,HL292F-08020 672 р.
15 0102.105930 Кольцо уплотнительное D.14,7х2,4 мм
16 0102.105940 Болт специальный
17 0102.105950 Фланец фильтра масляного
18 0102.105960 Прокладка кольцо 60Х2.65 , 3452.1-600265 , ДЭС12000ЕМ 125 р.
19 0102.105970 Фильтр маслянного клапана сброса давления , HL292F-08034 , ДЭС12000ЕМ 66 р.
20 0102.105980 Корпус клапана масляного сброса давления
21 0102.105990 Вставка клапана масляного сброса давления
22 0102.106000 Пружина клапана масляного сброса давления
23 0102.001470 Шайба плоская D.6 мм
24 0102.106010 Кольцо стопорное
25 0102.106020 Клапан масляный регулировки давления 780 р.
26 0102.106030 Болт специальный соединительный
27 0102.106040 Прокладка 8.8Х1.8 , 3452.1-088180 , ДЭС12000ЕМ 41 р.
28 0102.106050 Трубка радиатора соединительная номер 1 ДЭС 12000ЕМ,HL292F-08044 1.557 р.
29 0102.106060 Трубка радиатора соединительная в сборе , HL292F-08040 , ДЭС12000ЕМ 1.164 р.
30 0102.106070 Болт специальный соединительный
31 0102.106080 Трубка радиатора соединительная номер 2 ДЭС 12000ЕМ,HL292F-08051 1.692 р.
32 0102.106090 Трубка радиатора соединительная в сборе , HL292F-08050 , ДЭС12000ЕМ 1.288 р.
33 0102.106100 Радиатор масляный
34 0102.003250 Гайка M6
35 0102.001670 Болт M6х14 мм
Найдено товаров: 35
1
▲ Наверх
0
8 (925) 663-83-63

Call-центр

пн-вс: 10:00-19:00

НАЙТИ ПО МОДЕЛИ
Введите номер заказа
Введите номер своего заказа, что бы узнать его текущий статус.
Что бы получить доступ к расширенным функциям, пройдите не сложную регистрацию. Зарегистрироваться