Магазин запчастей для бытовой техники - Arlos
Москва
close
Выберите ваш регион
АбаканАлександровАльметьевскАнгарскАрзамасАрмавирАртемАрхангельскАстраханьАчинскБалаковоБалашихаБеларусьБелгородБердскБерезникиБийскБлаговещенскБратскБрянскВеликий НовгородВидноеВладивостокВладикавказВладимирВолгоградВолгодонскВолжскийВологдаВолховВоркутаВоронежВоскресенскВыборгГатчинаГеленджикГрозныйДедовскДербентДзержинскДзержинскийДимитровградДмитровДолгопрудныйДомодедовоДонецкЕвпаторияЕгорьевскЕкатеринбургЕлецЕссентукиЖелезногорскЖелезнодорожныйЖуковскийЗеленоградЗлатоустИвановоИвантеевкаИжевскИркутскИстраЙошкар-ОлаКазаньКалининградКалугаКаменск-УральскийКамышинКаспийскКемеровоКерчьКировКисловодскКлинКовровКоломнаКомсомольск-на-АмуреКопейскКоролёвКостромаКотельникиКрасногорскКраснодарКраснознаменскКрасноярскКурганКурскКызылЛенинск-КузнецкийЛипецкЛобняЛыткариноЛюберцыМагнитогорскМайкопМалаховкаМахачкалаМиассМоскваМурманскМуромМытищиНабережные ЧелныНазраньНальчикНаро-ФоминскНахабиноНаходкаНевинномысскНефтекамскНефтеюганскНижневартовскНижнекамскНижний НовгородНижний ТагилНовокузнецкНовокуйбышевскНовомосковскНовороссийскНовосибирскНовоуральскНовочебоксарскНовочеркасскНовошахтинскНовый УренгойНогинскНорильскНоябрьскОбнинскОдинцовоОктябрьскийОмскОрелОренбургОрехово-ЗуевоОрскПавловский ПосадПензаПервоуральскПермьПетрозаводскПетропавловск-КамчатскийПодольскПрокопьевскПсковПушкиноПятигорскРаменскоеРеутовРостов-на-ДонуРубцовскРыбинскРязаньСакиСалаватСамараСанкт-ПетербургСаранскСаратовСевастопольСеверодвинскСеверскСергиев ПосадСерпуховСимферопольСмоленскСосновый БорСочиСтавропольСтарый ОсколСтерлитамакСтупиноСургутСызраньСыктывкарТаганрогТамбовТверьТихвинТольяттиТомилиноТомскТроицкТулаТюменьУлан-УдэУльяновскУссурийскУсть-ИлимскУфаУхтаФеодосияФрязиноХабаровскХанты-МансийскХасавюртХимкиЧебоксарыЧелябинскЧереповецЧеркесскЧеховЧитаШахтыЩелковоЭлектростальЭлистаЭнгельсЮжно-СахалинскЯкутскЯлтаЯрославль
  • - бесплатно по РФ
    Автоперезвон. Работает по принципу: Вы позвонили на номер, мы сбрасываем звонок и перезваниваем через 3 секунды.
  • - по Москве
  • 8 (925) 663-83-63

Call-центр

пн-вс: 10:00-19:00

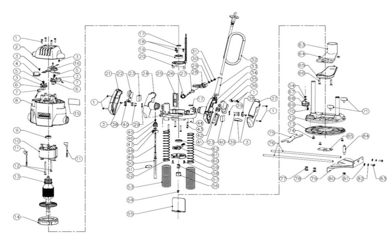
ЗАПЧАСТИ ДЛЯ ФРЕЗЕРА ЭЛЕКТРИЧЕСКОГО ELITECH Ф 1355Э

NАртикулНазваниеСрок отгрузкиЦенаКупить
1 1816.013400 Винт
2 1816.020000 Крышка верхняя
3 1803.011600 Винт самонарезающий
4 1816.020100 Крышка
5 1816.014400 Пружина
6 1816.014300 Щеткодержатель 107 р.
7 1816.014500 Щетки графитовые 2шт,д/ELITECH Ф 1355Э, Ф 1800Э 129 р.
8 1816.020200 Корпус двигателя. 3124200000. Ф 1355Э 867 р.
9 5001.002800 Подшипник шариковый 608-Z 252 р.
10 1816.020400 Статор 1.962 р.
11 1816.012000 Провод
12 1816.020500 Винт
13 1816.020600 Ротор , Ф1355 , 2750886000 . 3.047 р.
14 1816.011700 Дефлектор 90 р.
15 1816.020700 Табличка маркировочная
16 1816.020800 Плата контроллера. 4890475000. Ф 1355Э 990 р.
17 1803.010100 Кольцо стопорное
18 1804.031100 Винт
19 5001.002900 Подшипник шариковый 6002-RS 15х32х9 мм 152 р.
20 1816.020900 Панель светодиодная. Ф 1355Э 236 р.
21 1816.013300 Крышка левой ручки,3320699000 Ф1800Э 266 р.
22 1816.021000 Регулятор оборотов. 4900273000. Ф 1355Э 719 р.
23 1816.016600 Уплотнитель (поролоновый)
24 1816.013200 Ручка,3320698000 310 р.
25 1816.021100 Пластина
26 1816.015800 Пружина торсионная. 3660401000. Ф1300, 1355, 1800Э 31 р.
27 1816.015600 Болт стопорный M8х32 мм (левая резьба) 97 р.
28 1816.015500 Рукоятка фиксирующая 118 р.
29 1808.003200 Шайба
30 1806.001000 Шайба пружинная
31 1816.014200 Винт
32 1803.005600 Кабель сетевой в сборе с вилкой H05RN-F 2х0,75 мм2, L.4100 мм 622 р.
33 1816.015000 Изолятор кабеля сетевого
34 1816.014800 Рукоятка (правая)
35 1816.004300 Выключатель 4870093000 1355,1800Э, Ф 1300Э 313 р.
36 1803.004800 Зажим провода
37 1816.015100 Крышка рукоятки (правой)
38 1816.013500 Крышка рукоятки (правой)
39 1816.015400 Крышка индикатора. 3124303000. Ф 1355.1800Э 97 р.
40 1808.004700 Винт M4х16 мм
41 1803.005200 Индикатор питания
41 1816.015200 Провод
41 1816.015300 Клемма
42 1803.004900 Колодка клеммная
43 1816.011100 Винт
44 1816.021200 Рама. 3420841000. Ф 1355Э 1.214 р.
45 1816.021300 Винт
46 1816.021400 Колпачок регулировочный. 3120200000. Ф 1300Э,1355,1800Э. СМ.1816.001800 31 р.
47 1816.021500 Сальник
48 1816.021600 Индикатор глубины
49 1816.021700 Стержень
50 1816.021800 Фиксатор
51 1816.011300 Винт барашковый
52 1816.004400 Пружина
53 1816.012700 Трубка защитная
54 1816.004900 Винт
55 1816.010000 Экран защитный
56 1816.021900 Гайка стопорная. 5630034000. Ф 1300,1355,. СМ.1816.003600 122 р.
57 1816.022000 Цанга. 6мм 3550701000 аналог 1816.022700 243 р.
58 1806.015400 Винт
59 1816.022100 Корпус фиксатора вала. 3420847000. Ф 1355Э 208 р.
60 1816.022200 Кнопка фиксатора вала. 3402302000. Ф 1355Э 80 р.
61 1816.011000 Приужина Ф1800 37 р.
62 1816.022300 Гайка 75 р.
63 1816.012500 Крышка верхняя с патрубком
64 1803.006200 Гайка
65 1816.012600 Крышка нижняя
66 1816.006000 Винт
67 1816.010500 Шайба пружинная
68 1816.022400 Ограничитель глубины
69 1816.005200 Шарик (стальной)
70 1808.002300 Пружина
71 1816.006500 Винт барашковый 94 р.
72 1816.005401 Основание в сборе. Э 1355Э 2.112 р.
72.1 1816.005400 Подошва 1.689 р.
72.2 1816.010200 Стержень направляющий малый 3551188000 Ф1800Э 159 р.
72.3 1816.022500 Стержень направляющий большой
72.4 1816.010300 Штифт пружинный 5670158000 Ф1800Э 24 р.
73 1816.005700 Накладка,3122909000 Ф 1300Э 184 р.
74 1816.005800 Винт М5х8 5620220000 Ф 1300Э 24 р.
75 1816.022600 Ключ
76 1816.005600 Направляющая упора параллельного 259 р.
77 1816.022700 Цанга 6 мм 327 р.
78 1816.022800 Цанга 8 мм 321 р.
79 1816.006100 Упор параллельный 556 р.
80 1816.016100 Гайка
81 1816.006200 Шайба плоская
82 1816.006300 Шайба пружинная
83 1816.006400 Винт
84 1816.016000 Центр для циркуля
85 1816.005900 Фланец копировальный 114 р.
Найдено товаров: 91
1
▲ Наверх
0
8 (925) 663-83-63

Call-центр

пн-вс: 10:00-19:00

НАЙТИ ПО МОДЕЛИ
Введите номер заказа
Введите номер своего заказа, что бы узнать его текущий статус.
Что бы получить доступ к расширенным функциям, пройдите не сложную регистрацию. Зарегистрироваться