Магазин запчастей для бытовой техники - Arlos
Москва
close
Выберите ваш регион
АбаканАлександровАльметьевскАнгарскАрзамасАрмавирАртемАрхангельскАстраханьАчинскБалаковоБалашихаБеларусьБелгородБердскБерезникиБийскБлаговещенскБратскБрянскВеликий НовгородВидноеВладивостокВладикавказВладимирВолгоградВолгодонскВолжскийВологдаВолховВоркутаВоронежВоскресенскВыборгГатчинаГеленджикГрозныйДедовскДербентДзержинскДзержинскийДимитровградДмитровДолгопрудныйДомодедовоДонецкЕвпаторияЕгорьевскЕкатеринбургЕлецЕссентукиЖелезногорскЖелезнодорожныйЖуковскийЗеленоградЗлатоустИвановоИвантеевкаИжевскИркутскИстраЙошкар-ОлаКазаньКалининградКалугаКаменск-УральскийКамышинКаспийскКемеровоКерчьКировКисловодскКлинКовровКоломнаКомсомольск-на-АмуреКопейскКоролёвКостромаКотельникиКрасногорскКраснодарКраснознаменскКрасноярскКурганКурскКызылЛенинск-КузнецкийЛипецкЛобняЛыткариноЛюберцыМагнитогорскМайкопМалаховкаМахачкалаМиассМоскваМурманскМуромМытищиНабережные ЧелныНазраньНальчикНаро-ФоминскНахабиноНаходкаНевинномысскНефтекамскНефтеюганскНижневартовскНижнекамскНижний НовгородНижний ТагилНовокузнецкНовокуйбышевскНовомосковскНовороссийскНовосибирскНовоуральскНовочебоксарскНовочеркасскНовошахтинскНовый УренгойНогинскНорильскНоябрьскОбнинскОдинцовоОктябрьскийОмскОрелОренбургОрехово-ЗуевоОрскПавловский ПосадПензаПервоуральскПермьПетрозаводскПетропавловск-КамчатскийПодольскПрокопьевскПсковПушкиноПятигорскРаменскоеРеутовРостов-на-ДонуРубцовскРыбинскРязаньСакиСалаватСамараСанкт-ПетербургСаранскСаратовСевастопольСеверодвинскСеверскСергиев ПосадСерпуховСимферопольСмоленскСосновый БорСочиСтавропольСтарый ОсколСтерлитамакСтупиноСургутСызраньСыктывкарТаганрогТамбовТверьТихвинТольяттиТомилиноТомскТроицкТулаТюменьУлан-УдэУльяновскУссурийскУсть-ИлимскУфаУхтаФеодосияФрязиноХабаровскХанты-МансийскХасавюртХимкиЧебоксарыЧелябинскЧереповецЧеркесскЧеховЧитаШахтыЩелковоЭлектростальЭлистаЭнгельсЮжно-СахалинскЯкутскЯлтаЯрославль
  • - бесплатно по РФ
    Автоперезвон. Работает по принципу: Вы позвонили на номер, мы сбрасываем звонок и перезваниваем через 3 секунды.
  • - по Москве
  • 8 (925) 663-83-63

Call-центр

пн-вс: 10:00-19:00

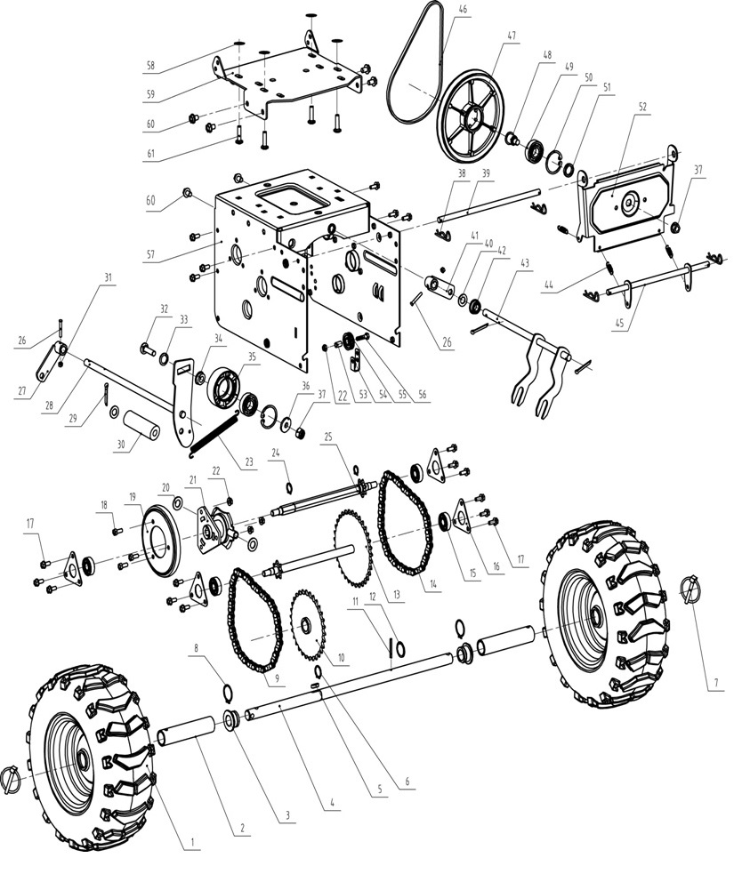
ЗАПЧАСТИ ДЛЯ СНЕГОУБОРЩИКА БЕНЗИНОВОГО ELITECH СК 7 (2014 ГОД) (РЕДУКТОР)

NАртикулНазваниеСрок отгрузкиЦенаКупить
1 1500.120065 Колесо
2 1500.120066 Полуось колесная
3 1500.120067 Втулка опорная оси колесной
4 1500.120068 Ось колесная
5 1500.120069 Шпонка
6 1500.120070 Фиксатор
7 1500.120071 Штифт крепления колеса
8 1500.120072 Фиксатор
9 1500.120073 Цепь приводная привода колес Z.38
10 1500.120074 Звездочка привода колес
11 1500.120075 Штифт
12 1500.120076 Кольцо уплотнительное
13 1500.120077 Звездочка
14 1500.120078 Цепь приводная Z.36
15 1500.120079 Подшипник шариковый 6201-2RS
16 1500.120080 Пластина подшипника прижимная
17 1500.120081 Винт самонарезающий
18 1500.120082 Болт с головкой шестигранной M6х15 мм
19 1500.120083 Шкив колеса трансмиссии 130x58x16 мм (3 отв.) (СК7-СК11 2013-2014)
20 1500.120084 Прокладка
21 1500.120085 Механизм поворотный в сборе
22 1500.120086 Гайка стопорная M6
23 1500.120087 Пружина
24 1500.120088 Кольцо стопорное
25 1500.120089 Вал в сборе со звездочкой
26 1500.120090 Болт M5х30 мм
27 1500.120091 Рычаг
28 1500.120092 Кронштейн устройства натяжного
29 1500.120093 Шплинт
30 1500.120094 Втулка проставочная
31 1500.120095 Гайка стопорная M5
32 1500.120096 Палец шаровый
33 1500.120097 Шайба
34 1500.120098 Втулка подшипника
35 1500.120099 Ролик натяжения
36 1500.120100 Подшипник шариковый
37 1500.120101 Гайка M10
38 1500.120102 Шплинт
39 1500.120103 Ось кронштейна подвижного
40 1500.120104 Прокладка
41 1500.120105 Палец
42 1500.120106 Втулка
43 1500.120107 Рычаг
44 1500.120108 Пружина
45 1500.120109 Вал соединительный
46 1500.120110 Ремень 841La
47 1500.120111 Шкив
48 1500.120112 Втулка шкива
49 1500.120113 Подшипник шариковый
50 1500.120114 Кольцо стопорное
51 1500.120115 Кольцо проставочное
52 1500.033400 Кронштейн подвижный
53 1500.120117 Втулка ролика
54 1500.120118 Кронштейн ролика натяжного
55 1500.120119 Ролик натяжной. 8121-940405-0000110. СК7 2014 38 р.
56 1500.120120 Болт M6х25 мм
57 1500.120121 Корпус редуктора
58 1500.120122 Шайба
59 1500.120123 Площадка крепления двигателя
60 1500.120124 Винт самонарезающий
61 1500.120125 Болт с головкой круглой M8х45 мм
Найдено товаров: 61
1
▲ Наверх
0
8 (925) 663-83-63

Call-центр

пн-вс: 10:00-19:00

НАЙТИ ПО МОДЕЛИ
Введите номер заказа
Введите номер своего заказа, что бы узнать его текущий статус.
Что бы получить доступ к расширенным функциям, пройдите не сложную регистрацию. Зарегистрироваться